3VA65805HL362AA0

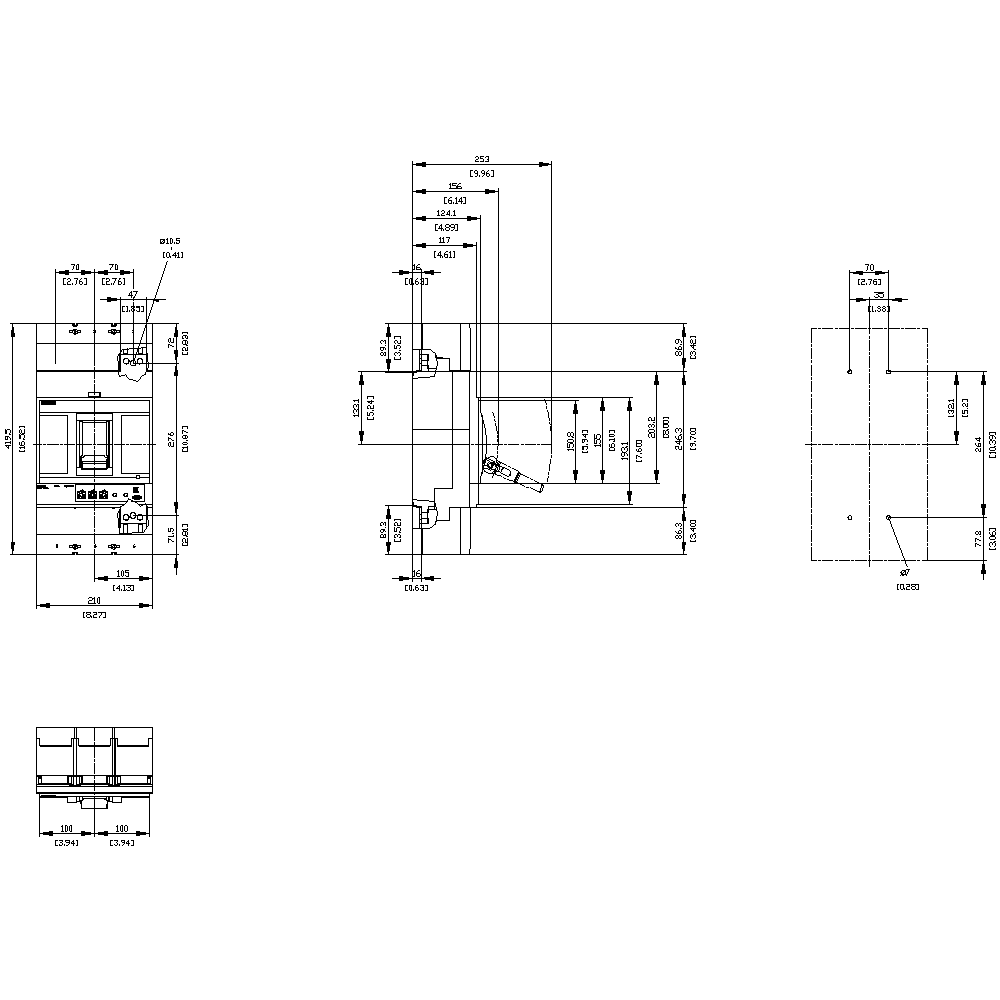
Circuit breaker 3VA6 UL frame 800 breaking capacity class M 35 kA @ 480 V 3-pole

Manufacturer's No: 3VA6580-5HL36-2AA0     Manufacturer: Siemens
Circuit breaker 3VA6 UL frame 800 breaking capacity class M 35 kA @ 480 V 3-pole

Availability On Request

£3,874.82
  • Circuit breaker 3VA6 UL Frame 800
  • Breaking capacity: 35 kA @ 480 V
  • 3-pole, line protection
  • Overload protection: In=800 A, Ir=315 A (100% rated)
  • Short-circuit protection: Ii=1.5...10 x In
  • Cable connection on two sides
Question and Answer (Q&A video)
Question and Answer (Q&A video)
 

Product

Manufacturer Material ID -
3VA6580-5HL36-2AA0
Net Weight -
16.76kg

Additional Product Information

Commodity Code -
85362090
Country of Origin -
CZ
Export Control Regulations -
AL: N / ECCN: EAR99
UNSPSC -
39121601

Technical Specification

Adjustment range undelayed short-circuit release -
1200 Ampere
Complete device with protection unit -
Degree of protection (IP rating) -
IP40
Device construction -
Built-in device fixed built-in technique
DIN rail (top hat rail) mounting optional -
Number of auxiliary contacts as change-over contact -
0
Number of auxiliary contacts as normally closed contact -
0
Number of auxiliary contacts as normally open contact -
0
Number of poles -
3
Overload release current setting -
315 Ampere
Position of connection for main current circuit -
Front
Power loss -
231 Watt
Rated permanent current Iu -
800 Ampere
Rated short-circuit breaking capacity Icu at 400 V, 50 Hz -
55 kiloampere
Rated voltage -
690 Volt
Suitable for DIN rail (top hat rail) mounting -
Type of control element -
Rocker lever

Availability On Request

£3,874.82
Sign in or Register for customer prices.

Additional Information

Did you know, we are an entrusted Siemens approved partner?

Loading...