6MF28620AA00

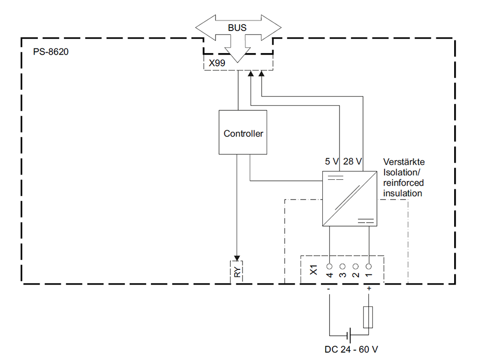
PS-8620 POWER SUPPLY 24-60VDC 12W

Manufacturer's No: 6MF2862-0AA00     Manufacturer: Siemens
PS-8620 POWER SUPPLY 24-60VDC 12W

Availability On Request

POA
  • Model: PS-8620
  • Power Supply Input: 24-60VDC
  • Power Output: 12W
 

Product

Manufacturer Material ID -
6MF2862-0AA00
Net Weight -
0.22kg

Additional Product Information

Commodity Code -
85043121
Country of Origin -
IN
Export Control Regulations -
AL: N / ECCN: N
UNSPSC -
32151705

Technical Specification

Depth -
124 Millimetre
Height -
132 Millimetre
Width -
30 Millimetre

Availability On Request

POA
Sign in or Register for customer prices.

Additional Information

Did you know, we are an entrusted Siemens approved partner?

Loading...