3025582

Hinge Safety Interlock Switch, Die-Cast Zinc, Inline QD, Switch Mounted Left Side w/QD Down, 2 NC/1 NO,Micro M12 6-pin (Dual Key)

Manufacturer's No: SI-HGZ63FQDL     Manufacturer: Turck Banner
Hinge Safety Interlock Switch, Die-Cast Zinc, Inline QD, Switch Mounted Left Side w/QD Down, 2 NC/1 NO,Micro M12 6-pin (Dual Key) QD

Availability On Request

£179.66
  • Safety Technology Door Hinge Switch
  • Fulfills IEC 60947-5-1 safety standards
  • Safety interlock switch integrated in robust PBT housing
  • Switchpoint repositionable and adjustable from 0° to 270°
  • Tamper-proof design
  • Zinc die-cast hinge supports 1200 N (120 kg) load
  • Left hinge with 2 safety outputs (NC) and 1 auxiliary contact (NO)
  • SIL 3 (IEC 61508) and PL e (ISO 13849-1) compliant
 

Product

Manufacturer Material ID -
SI-HGZ63FQDL
Net Weight -
0.40kg

Additional Product Information

Commodity Code -
85365019900
Country of Origin -
DE
UNSPSC -
39122216

Technical Specification

Degree of protection (IP rating) -
IP67
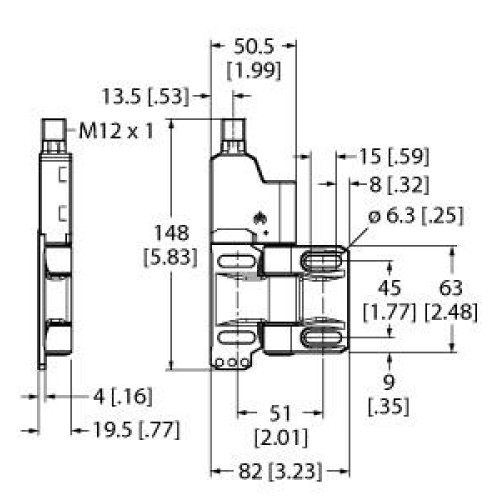
Height of sensor -
147 Millimetre
Housing material -
Metal
Length of sensor -
82 Millimetre
Width sensor -
19.5 Millimetre
Turck Banner

Availability On Request

£179.66
Sign in or Register for customer prices.

Additional Information

Did you know, we are an entrusted Siemens approved partner?

Loading...